Litiny mají obsah uhlíku vyšší než je jeho mezní rozpustnost v austenitu za eutektické teploty, daná bodem E rovnovážného diagramu železo-uhlík. Vedle vyššího obsahu uhlíku mají obvykle i větši množství příměsí (Si, Mn, P, S) než ocel. Z nich nejdůležitější je křemík, pohybující se v množství 0,3 až 4,0 %. Litiny proto bývají považovány za potrojné slitiny Fe-C-Si. Jejich krystalizace a překrystalizace se řídí ternárním diagramem této soustavy, v němž obdobně jako v binárním rovnovážném diagramu železo-uhlík, existuje stabilní rovnováha s vyššími a metastabilní rovnováha s nižšími teplotami fázových přeměn. Protože však sledování fázových přeměn pomoci ternárních rovnovážných diagramů je obtížné, používají se často tzv. pseudobinární diagramy, které jsou sestrojeny jako řezy ternárních diagramů pro proměnné obsahy dvou základních komponent a konstantní obsah třetí komponenty.
Příklad takového diagramu pro proměnný obsah Fe a C a konstantní obsah 2 % Si je uveden níže na obrázku 7, který vychází z ternárního diagramu uvedeného na obrázku 5. V podstatě je tento pseudobinární diagram velmi podobný binárnímu rovnovážnému diagramu železo-uhlík, kde teploty fázových přeměn jsou posunuty nahoru a koncentrace doleva oproti základnímu diagramu Fe-C. Významným rozdílem je, že v pseudobinárním diagramu se nevyskytuje jedna konstantní eutektická teplota, nýbrž interval teplot tESl - tES2. Podobně ani eutektoidní přeměna neprobíhá při jedné konstantní teplotě, ale v teplotním intervalu A1,1 - A1,2. Interval eutektoidních i eutektických teplot se rozšiřuje s vzrůstajícím obsahem křemíku, který je do litin přidán, viz obr. 6.

Krystalizace podeutektických litin podle této soustavy začíná vylučováním austenitu, následuje eutektická reakce, snižování rozpustnosti uhlíku v austenitu (Obr.7, body 1-3), eutektoidní reakce, případně grafitizace perlitického cementitu při ochlazení po eutektoidní reakci. Výsledná struktura je tvořena perlitem, feritem nebo jejich směsí a lupínkovým grafitem. Lupínkový grafit je výchozím základním tvarem grafitu, který vzniká přirozeně bez dodání ostatních příměsí apod. Krystalizace nadeutektických litin začíná vylučováním primárního grafitu z taveniny, následuje eutektická reakce a dále dochází k fázovým přeměnám obdobně jako v prvním případě (Obr.7, body 4-6).
U podeutektických litin s lupínkovým grafitem je první fází, která se při krystalizaci vylučuje, austenit. Při vylučování austenitu dochází k výměně tepla mezi fázemi s vnějším prostředím. Tato výměna však není ideální, nenastane difúzní vyrovnání složení fází a dojde k dendritické krystalizaci austenitu, to je uvedeno na obrázku 9a. Rozvětvení dendritů závisí na stupni přechlazení.
U nadeutektických litin je první krystalizační fází primární grafit, který se odlišuje od ostatních grafitových částic tím, že jde o velmi hrubé a málo rozvětvené útvary.
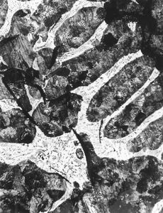
Při eutektické reakci nevzniká typická eutektická směs, ale jde o dvoufázový segregát (eutektická buňka, Obr.10a), který roste nepřetržitým současným vytvářením dvou fází. Kontakt grafitu s kapalnou fází se udržuje vlivem růstu austenitu. Lupínkový grafit je proto deskovitého charakteru. Eutektickou buňku nakonec tvoří rozvětvený grafitový skelet (obálka) obalený austenitem. Stupeň rozvětvení se zvětšuje s rostoucí rychlostí ochlazování.

Rychlost ochlazování (tloušťka stěny) výrazně ovlivňuje i samotný charakter eutektické reakce. Tento vliv je zřejmý z kinetického diagramu (na obrázku 8) anizotermické krystalizace litin v soustavě Fe-C-Si s eutektickým složením. Z obrázku je zřejmé, že rychlost v2 je větší než rychlost v1. Rychlost v2> pak udává rychlost, podle které tuhne tavenina v metastabilním systému a v1 je rychlost, podle které tuhne tavenina ve stabilním systému (grafitické litiny).
![]() |
tES12 - tES1
|
Podíl taveniny, která tuhne primární krystalizací (podeutektické nebo nadeutektické litiny) nebo naopak eutekticky (eutektické litiny), závisí na chemickém složení původní taveniny. Polohu eutektického bodu ovlivňuje nejen obsah uhlíku, ale i obsah přísadových prvků. Tento vliv se dá kvantifikovat. K tomu se používá tzv. stupeň sycení Sc (stupeň eutektičnosti), který se vypočítá dle vztahu (2).

Když bude Sc = 1 jedná se o eutektickou litinu, když Sc < 1 o podeutektickou a v případě Sc > 1 o nadeutektickou litinu. Je třeba podotknout, že tato veličina se počítá v případě litin s lupínkovým grafitem (Obr.9b). Jak již bylo v úvodu této kapitoly poznamenáno, litina s lupínkovým grafitem vzniká bez dalších nutných přísad, bez modifikátorů či očkovadel.
Proces tuhnutí litiny, která obsahuje fosfor, není ukončený eutektickou reakcí. Podle soustavy Fe-Fe3C-Fe3P vzniká ternární fosfidové (fosfidické) eutektikum (Obr. 10b) při obsahu nad 0,5 až 0,8 % P (závisí na obsahu uhlíku). Když krystalizuje eutektikum (austenit a grafit), může se objevit fosfidové eutektikum už při 0,1 % fosforu při rovnovážných podmínkách a už od 0,05 % P za reálných, pomalu ochlazovaných litinách. Fosfidové eutektikum tuhne již při teplotě 940 °C, a to mezi eutektickými buňkami.
Při ochlazení pod eutektickou teplotou nastává ochuzování austenitu o uhlík. V tomto případě nevznikají nové částice grafitu (sekundární grafit) z austenitu, ale vylučuje se sekundární cementit, který okamžitě grafitizuje. Tomu se říká nepřímá grafitizace.
Při eutektoidní přeměně se austenit nejčastěji přemění na perlit v podmínkách metastabilní rovnováhy (perlitická struktura). V závislosti na rychlosti ochlazování z eutektoidní teploty na teplotu okolí, může docházet k částečné grafitizaci perlitického cementitu (perliticko-feritická struktura).
![]() Obr.9a Dendrity primárního austenitu |
![]() Obr.9b Litina s lupínkovým grafitem |
![]() Obr. 10a Eutektické buňky |
![]() Obr. 10b Síť fosfidického eutektika |